PFOTEK605高端油源电液伺服万能试验机
PFOTEK605高端油源电液伺服万能试验机 主要是可以运用在金属,还有一些非金属的拉伸长度,还有压缩能力,弯曲的强度以及剪切的力度测试。PFOTEK605高端油源电液伺服万能试验机的试验指标,还有它的数据处理都是符合国标GB/T 228-2010《金属材料室温拉伸试验方法》的标准的,如果需要改变结构形式或者是更换相关的零件,也能够同时满足到ASTM以及ISO等国际相关标准的要求。 PFOTEK605高端油源电液伺服万能试验机 可是使用的领域还是很多的, 不仅仅是在......
产品描述
PFOTEK605高端油源电液伺服万能试验机主要是可以运用在金属,还有一些非金属的拉伸长度,还有压缩能力,弯曲的强度以及剪切的力度测试。PFOTEK605高端油源电液伺服万能试验机的试验指标,还有它的数据处理都是符合国标GB/T 228-2010《金属材料室温拉伸试验方法》的标准的,如果需要改变结构形式或者是更换相关的零件,也能够同时满足到ASTM以及ISO等国际相关标准的要求。PFOTEK605高端油源电液伺服万能试验机可是使用的领域还是很多的, 不仅仅是在金属还可以在航空,以及工业,个别教学上也可以使用的。
主要特点
1、专为高端客户设计,采用半开式的钳口。油缸是珩磨的,不漏油。(不是胶圈密封的,胶圈密封结构一年后胶圈老化易漏油。)
2、上横梁、移动横梁采用优质碳素铸钢件,经取样做物理分析及其它性能试验,具有韧性和强度高等特点。独特的半开式钳口座,刚度高、无变形适合钢厂超大工作量对螺纹钢等试样的拉伸。
钳口卡板与钳口座之间设有衬板,从而有效的保护钳口座免受磨损破坏。另外钳口采取燕尾式结构《精密加工》,消除出始力前的间隙,提高了示值精度及分析材料真实变化曲线。
3、立柱设有卡环槽,需要时、可把上横梁上调后固定在主机立柱环槽上,从而加大实验空间。立柱采用中碳钢,刚度高、表面镀硬铬抛光处理,美观、防绣性好抗磨损、快速调整空间,减轻实验员调整工作强度。
4、丝杠采用高性能碳素结构钢,经过调质等工艺处理,提高韧性及硬度、传动过渡平稳可靠。
5、伺服油缸采用间隙密封,独特的静压支撑、生成油膜无摩擦的导向技术,使用寿命长。
6、在立柱上安安装刻度尺,用来观察油缸上升位置,避免事故发生。
7.工作台下面有导向结构,使下夹头中心线与试验机拉力轴线同轴度为5%(大大优于国标小于12%要求);
8、进口电液伺服阀,内啮合油泵,噪音低,运行平稳;
9、油源使用钢板成型,表面喷塑处理,大理石台面可放置电脑和打印机,干净整洁,节省空间。
10、工作台采用优质碳素结构钢,上平面精磨工艺精度高。从而上下运行平稳下平面连接传感器及活塞形成硬连接结构,从而上下运行平稳大大提高了产品精度和可控性。
PFOTEK605高端油源电液伺服万能试验机技术参数
1、较大试验力:600kN
2、精度等级:0.5级
3、立柱数:6柱
4、试验空间:双空间(上拉下压)
5、夹紧方式:液压夹紧
6、试验力测量范围:2%~100%FS
7、试验力示值误差:≤±0.5%
8、试验力分辨力:1/300000
9、试验力采集频率:可调,高达1000Hz
10、变形测量范围:1%~100%FS(全程不分档)
11、变形示值误差:≤±1%
12、变形分辨力:1/300000
13、变形采集频率:可调,高达1000Hz
14、位移示值误差:≤±1%
15、位移分辨率:0.01mm
16、位移行程范围:250mm
17、活塞移动速度范围:0.01~100mm/min
18、较大拉伸试验空间:820mm
19、两侧立柱间距:545mm
20、较大压缩试验空间:720mm
21、安全防护:过载、过流、过压、欠压、过速、限位
22、外形尺寸(长×宽×高)
主机:(898×764×2400)mm
油源:(920×720×1820)mm
23、整机重量:约2900kg
24、电 源:380V,50Hz,2.5kW
PFOTEK605高端油源电液伺服万能试验机特点
(一)机械工艺结构:
该主机为传统的经典机型,经有限元分析,刚性大、稳定可靠、结构设计合理,并经长久的实践经验和持续改进完善,配置标准化、故障率底、可靠耐用,同时具有良好的整体效果。控制柜操作台人性化设计,操作方便、外观新颖。在试验过程当中,可能由于操作人员的疏忽等一些突发因素的影响,试验机可能会发生损坏。有时候可能会危及到实验员的安全。所以我们必须在试验机加安全限位装置,过载保护的防护装置。本系统采用防护系统的冗余设计,增加了试验机的安全等级。
1、主机采用双空间六柱结构,上空间进行拉伸试验,下空间进行压缩试验结构紧凑、下围壳与底座为固定装置,布局美观安全防尘。
2、油缸下置式,移动横梁采用电机驱动链轮链条带动丝杠旋转,调整试验空间和外接油源实现液压夹紧。拉伸空间位于主机的上横梁和移动横梁之间,压缩、弯曲、剪切试验空间位于主机移动横梁和工作台之间;
3、消隙机构:完全消除丝杠间隙对试验结果的影响,另加导向机构、保证试样在拉伸过程中受力轴线始终与试样中心重合。
4、独立低噪音琴台式伺服油源、电器一体化控制柜、实用美观、具有可靠性。伺服油源配置高性能高压齿轮泵和伺服比例阀,控制准确。另加独立夹紧液压系统,确保式样夹持稳固,拉断式样后不掉落。
5、银飞专用插卡式全数字闭环控制系统,响应速度快、可靠性高。抗干扰能力强。软件可实现试验力、位移、变形的三闭环高精度控制,控制方式间能任意组合,平滑切换。完全满足GB/T228-2010《金属材料室温拉伸试验方法》的要求。
6、控制系统具有网络接口,可方便实验室联网操作及实验结果的网络传输
主要部件性能特点

结构介绍:
1、上钳口座;2、上横梁;3、立柱;4、中横梁;5、按钮盒;6螺母;7底壳板;8、底座;9、油缸;10、传感器;11、工作台;12、下钳口座;13、丝杠
结构特点
1、工作台采用优质碳素结构钢,上平面精磨工艺精度高。从而上下运行平稳下平面连接传感器及活塞形成硬连接结构,从而上下运行平稳大大提高了产品精度和可控性。
2、上横梁、移动横梁采用优质碳素铸钢件,经取样做物理分析及其它性能试验,具有韧性和强度高等特点。独特的半开式钳口座,刚度高、无变形适合钢厂超大工作量对螺纹钢等式样的拉伸。
钳口卡板与钳口座之间设有衬板,从而有效的保护钳口座免受磨损破坏。另外钳口采取燕尾式结构《精密加工》,消除出始力前的间隙,提高了示值精度及分析材料真实变化曲线。
3、立柱设有卡环槽,需要时、可把上横梁上调后固定在主机立柱环槽上,从而加大实验空间。立柱采用中碳钢,刚度高、表面镀硬铬抛光处理,美观、防绣性好抗磨损、快速调整空间,减轻实验员调整工作强度。
4、丝杠采用高性能碳素结构钢,经过调质等工艺处理,提高韧性及硬度、传动过渡平稳可靠。
5、伺服油缸采用间隙密封,独特的静压支撑、生成油膜无摩擦的导向技术,使用寿命长。
6、在立柱上安安装刻度尺,用来观察油缸上升位置,避免事故发生。
7、工作台下面有导向结构,使下夹头中心线与试验机拉力轴线同轴度为5%(大大优于国标小于12%要求);
8、进口电液伺服阀,内啮合油泵,噪音低,运行平稳;
9、油源使用钢板成型,表面喷塑处理,大理石台面可放置电脑和打印机,干净整洁,节省空间。
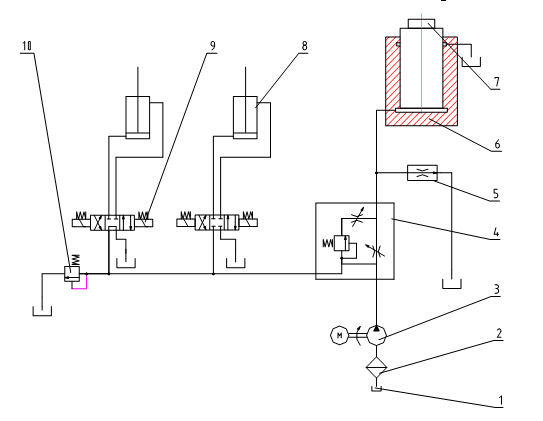
油源及液压原理图
PFOTEK605高端油源电液伺服万能试验机油源由油箱、油泵电机组、溢流阀、电磁换向阀等组成。主油源由油箱1油泵电机组3、过滤器2、伺服阀4以及电磁换向阀9组成,均置于控制柜外壳内的下方,与油缸6和高压橡胶软管经配管连接。油源液压原理图(见下图)


主要部件性能特点

结构介绍:
1、上钳口座;2、上横梁;3、立柱;4、中横梁;5、按钮盒;6螺母;7底壳板;8、底座;9、油缸;10、传感器;11、工作台;12、下钳口座;13、丝杠
结构特点
1、工作台采用优质碳素结构钢,上平面精磨工艺精度高。从而上下运行平稳下平面连接传感器及活塞形成硬连接结构,从而上下运行平稳大大提高了产品精度和可控性。
2、上横梁、移动横梁采用优质碳素铸钢件,经取样做物理分析及其它性能试验,具有韧性和强度高等特点。独特的半开式钳口座,刚度高、无变形适合钢厂超大工作量对螺纹钢等式样的拉伸。
钳口卡板与钳口座之间设有衬板,从而有效的保护钳口座免受磨损破坏。另外钳口采取燕尾式结构《精密加工》,消除出始力前的间隙,提高了示值精度及分析材料真实变化曲线。
3、立柱设有卡环槽,需要时、可把上横梁上调后固定在主机立柱环槽上,从而加大实验空间。立柱采用中碳钢,刚度高、表面镀硬铬抛光处理,美观、防绣性好抗磨损、快速调整空间,减轻实验员调整工作强度。
4、丝杠采用高性能碳素结构钢,经过调质等工艺处理,提高韧性及硬度、传动过渡平稳可靠。
5、伺服油缸采用间隙密封,独特的静压支撑、生成油膜无摩擦的导向技术,使用寿命长。
6、在立柱上安安装刻度尺,用来观察油缸上升位置,避免事故发生。
7、工作台下面有导向结构,使下夹头中心线与试验机拉力轴线同轴度为5%(大大优于国标小于12%要求);
8、进口电液伺服阀,内啮合油泵,噪音低,运行平稳;
9、油源使用钢板成型,表面喷塑处理,大理石台面可放置电脑和打印机,干净整洁,节省空间。
油源及液压原理图
PFOTEK605高端油源电液伺服万能试验机油源由油箱、油泵电机组、溢流阀、电磁换向阀等组成。主油源由油箱1油泵电机组3、过滤器2、伺服阀4以及电磁换向阀9组成,均置于控制柜外壳内的下方,与油缸6和高压橡胶软管经配管连接。油源液压原理图(见下图)

电气部分及原理图
PFOTEK605高端油源电液伺服万能试验机电气部分由控制系统及显示测量系统组成,负荷测量系统由一只高精度的负荷传感器、测量放大器、A/D转换器、稳压电源等组成。所有的控制参数及测量结果均可以在电脑液晶上实时显示。并具有过载保护功能。
强电板及测量放大板均安装在油源控制柜内,通过接插件与主机、测量放大器、油源连接,以完成电力及信号的传输(详见软件说明书---附光盘内)。

控制及测量系统
本机控制及测量系统吸收了目前试验机控制的各类先进经验,采用全数字电液伺服闭环控制及测量系统,实现了等速应力、等速应变、等速试验力、等速位移、试验力保持、位移保持等控制功能。本系统具有多层保护功能,可实现对试验机的过载、过流、过压、欠压、过速、限位等多种安全保护。
本系统配有专用测控软件,对试验数据进行统计与处理,可自动求取上、下屈服点、抗拉强度、断裂强度、弹性模量、各点延伸率、σ0.2等数据。试验过程中电脑实时显示力、位移、应变等参数,以及试验曲线的动态显示,并可根据不同需要在力-时间、力-位移、位移-时间等多种
设备配置
1、主机:600kN油缸下置式一台
2、电液伺服油源:一体式一台
3、电液伺服阀:意大利ATOS伺服阀一个
4、内啮合齿轮泵:意大利马祖奇一个
5、负荷传感器:600kN一只
6、手控盒:有磁力,可吸附于机架任意位置一个
7、引伸计:YYU10/50(北钢院)一只
8、专用数据采集卡:一个
9、专用测控软件:一套
10、商用品牌电脑:联想一台
11、品牌打印机:惠普彩色喷墨A4一台
12、附具:一套
拉伸附具:圆钳口Ø10~Ø18mm、Ø18~Ø29mm、Ø29~Ø40mm;平钳口2~16mm、16~30mm,各1付;
压缩附具:Φ188mm ,1套;
弯曲附具:Ø30mm压头,支辊宽度140mm,跨距360mm,1套;
有机玻璃防护罩,1套;
地脚螺栓:M16X300mm,四根
PFOTEK605高端油源电液伺服万能试验机细节图
PFOTEK605高端油源电液伺服万能试验机细节图


保修范围
PFOTEK605高端油源电液伺服万能试验机保修一年,终身服务。
曲线模式
PFOTEK605高端油源电液伺服万能试验机可以进行曲线模式的自由切换,也能够进行多种试验曲线及报告:这款系统里面还有管理用户权限的功能,在使用者登陆之后,可以根据权限开放的操作来进行对应的操作功用模块;选用较为先进的多线程技能收集数据,速率快,稳定性强,并能主动对传感器数据进行各种抗扰处理,避免了偶尔收集失利带来的控制失效等缺陷;还有着具有功用强大的报表修改功用,在使用的时候,我们还可以根据我们的请求进行一个编制实验报告,输出我们想要和测量的成果,输出的数据还可以使用Word等格局保留,便于修改和备份。此文章来自校验仪。
曲线模式
PFOTEK605高端油源电液伺服万能试验机可以进行曲线模式的自由切换,也能够进行多种试验曲线及报告:这款系统里面还有管理用户权限的功能,在使用者登陆之后,可以根据权限开放的操作来进行对应的操作功用模块;选用较为先进的多线程技能收集数据,速率快,稳定性强,并能主动对传感器数据进行各种抗扰处理,避免了偶尔收集失利带来的控制失效等缺陷;还有着具有功用强大的报表修改功用,在使用的时候,我们还可以根据我们的请求进行一个编制实验报告,输出我们想要和测量的成果,输出的数据还可以使用Word等格局保留,便于修改和备份。此文章来自校验仪。




