ZDS4054 Plus数字示波器
ZDS4054 Plus数字示波器 ,我们今天从另外一个角度去讲这个 ZDS4054 Plus数字示波器 。从目前热门的汽车电子产业的通信问题,大家自然会想到很多通讯协议,是的。我们今天讲的就是用 ZDS4054 Plus数字示波器 来分析包括CAN、LIN、CANFD、车载以太网等等在内的通讯协议。那么工程师在调试这类通信问题的时候,我们的手上的数字示波器是否拥有相关协议的分析插件就非常关键。这些分析插件是如何协助工程师解决问题的呢? 重点将会从 ZDS4054 Plus数字示波器......
产品描述
ZDS4054 Plus数字示波器,我们今天从另外一个角度去讲这个ZDS4054 Plus数字示波器。从目前热门的汽车电子产业的通信问题,大家自然会想到很多通讯协议,是的。我们今天讲的就是用ZDS4054 Plus数字示波器来分析包括CAN、LIN、CANFD、车载以太网等等在内的通讯协议。那么工程师在调试这类通信问题的时候,我们的手上的数字示波器是否拥有相关协议的分析插件就非常关键。这些分析插件是如何协助工程师解决问题的呢?

测试完成后可对所测试的波形和数据进行导出。导出的“网页报表”文件可使用网页打开,导出的“CSV”文件可使用Excel打开。网页报表导出文件的部分截图如图14所示。
重点将会从ZDS4054 Plus数字示波器的以太网分析、车载总线协议解码、CAN位时间测试3个方面来进行描述。
使用ZDS4054 Plus数字示波器进行以太网分析
近年来车载行业的以太网分析测试很重要的应用就是域控制器。除了域控制器、激光雷达这些都需要高带宽和全新的运算架构。另外一点就是降低成本的需求。如图1所示,为典型的汽车网络架构。

图1 典型的汽车网络架构
像CAN总线一样,以太网也需要类似的多种测试来确保通信等的稳定性。这其中就包括眼图测试、发送抖动、幅值特性、上升下降时间、占空比失真等项目的测试。通过这几项的测试,基本可以判断以太网的性能是否良好。
为了兼顾汽车电子方面的整体测试需求,包括常规的电压电流信号,CAN、LIN等总线测试,以及以太网测试等。ZLG致远电子的ZDS4054 Plus,很新固件支持百兆以太网(100Base-TX)分析功能。
测试需要1块ZTF100B转接板,2条SMA转BNC线,1条平行网线用于接示波器,1条平行或交叉网线用于接被测设备。
如图2所示,为测试时连接图,黄色网线另一端插在示波器背面的网口,黑色网线另一端连接被测以太网端口。

图2 以太网分析测试连接图

图3为100Base-TX的眼图分析测试。
除了眼图测试,ZDS4054 Plus数字示波器还支持发送抖动测试、幅值特性测试、上升下降时间测试、占空比失真测试。如图4所示。

图4 发送抖动等测试

如图5所示,ZDS4054 Plus数字示波器可使用完整测试功能,完整测试功能包括以上的眼图、发送抖动、幅值特性等。整体测试结束后,可导出网页报表,方便工程师做报告记录等使用。如图6、图7所示。

图6 ZDS4054 Plus数字示波器整体测试的网页报表

图7 ZDS4054 Plus数字示波器整体测试的网页报表
ZDS4054 Plus数字示波器支持的CAN、LIN、CANFD等常用协议分析
像前面提到的,ZDS4054 Plus数字示波器除了以太网分析外,汽车电子常用的CAN、LIN、FlexRay、CANFD、SENT等协议的解码也是一一标配。
汽车电子产业对ZDS4054 Plus数字示波器参数和功能的要求:
协议解码:兼容所有主流车载通信协议,CAN、LIN、FlexRay、SENT、CANFD;
大存储深度:不是简单的对一帧波形解码,而是可以完整的监控整个通信的过程;
参数测量:需支持波特率、总线负载率等多种参数的测量。
重要的功能再说一次:
1、ZDS4054 Plus数字示波器免费标配30余种协议解码:包括汽车电子产业常用的CAN、LIN、FlexRay、SENT、CANFD。与业界其他示波器需要付费选配,且普遍只支持一帧波形解码相比, ZDS4054Plus可支持基于512M存储深度的70s CAN波形解码,其大存储可以保证监控整个通信过程,如图8、图9所示。

图8 免费标配30余种协议解码

图9 70s CAN波形解码
2、拥有全存储深度、全协议解码的事件表:可以将512M存储深度下的波形全部进行解码,并且在事件表中显示。事件表可以观察到具体某帧波形的时间、帧类型、IDField、数据等信息,大大方便了我们对于波形的分析。如图10所示为LIN协议的解码。

图10 LIN协议的解码
3、支持CAN总线波特率、负载率测量:ZDS4054 Plus支持51种参数测量,24种同屏显示。少有直接支持CAN总线波特率、负载率直接测量,所有测量都是经过FPGA全硬件加速,即使512M波形数据测量不到1s即可。如图11所示为CAN总线波特率、平均与瞬时负载率测量。

图11 CAN总线波特率、负载率测量
三、CAN位时间测试
1、为什么要关注CAN总线的位时间?
汽车CAN总线设计规范对于CAN节点的差分信号位时间(即波特率)有着严格规定:同一总线每个节点的信号位时间必须保持较高的一致性,否则节点组合后会出现错误帧,可能导致各节点间无法进行通信。
2、CAN总线的位时间如何测量?
《汽车物理链路层测试标准GMW14241 JUNE 2012》中规定的步骤如下:
选择被测DUT合适的条件,使用示波器触发显示波形;
测量连续20-30个位的隐性-显性差分电平的边沿时间,平均计算出一个位的时间;
至少重复100次,确定较大和很小值。
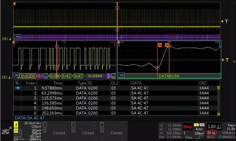
其中,单帧CAN位时间测试方法如图12所示。

3、传统示波器的CAN位时间测试难点
工程师需要在屏幕上从左到右连续至少数20*100=2000个波形,同时需要完成100次手动计算和数据记录,然后很终确定较大值和很小值。
如果你需要测100帧,那就右上角100帧数据跑过去就可以。同时,也可以提前输入对应车厂要求的上限值和下限值模拟车厂验收,如果测试值在要求范围之内,直接给出pass结果,否则fail,如图13所示。

图13 CAN位时间帧数统计及测量结果

测试完成后可对所测试的波形和数据进行导出。导出的“网页报表”文件可使用网页打开,导出的“CSV”文件可使用Excel打开。网页报表导出文件的部分截图如图14所示。



