福禄克自动化的电桥及其相关概念正在取代早期的手动的电阻测量设备
福禄克自动化的电桥及其相关概念正在取代早期的手动的电阻测量设备。关于电阻比率----电位差计法
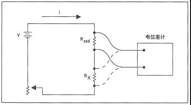
图中,未知电阻Rx和电阻标准Rstd相串联,由电压源V给出电流I。

图 电位差计法

用一个不会吸收很大电流的电位差计或者其它恰当的仪器,如数字电压表,来测量未知电阻和标准电阻上的压降。未知电阻器的电阻数值可以由已知电阻标准的数值确定如下:
式中:
Rx ——未知电阻器的电阻数值;
Rstd ——标准电阻器的电阻数值;
Sx ——电位差计对Rx两端的电压降的设置值;
Sstd——电位差计对Rstd两端的电压降的设置值。
在这里,基本的要求是,在测量期间流经两个电阻器的电流保持恒定。该电流的任何变化都会以相同的百分数反映为相应的测量误差。如果该电流源确实发生变化,并且具有随机性的本质,那么进行多次重复的测量,并对结果进行平均,就可以提高测量的准确度。
即使该电流发生变化,如果此电流随时问的变化是线性的,那么也可以进行准确的测量。其方法是把原来进行两次测量改为按Vstd,Vx,Vstd的顺序进行三次测量。对两次Vstd的测量结果取平均值,就可以大大地消除电流变化的影响。
测量误差的另一个来源是测量电路中的热电动势。通过反转电流源的极性,并重复进行测量,可以大大地消除这种不希望的热电动势的影响。这时,两次测量结果的平均值就是正确的数值。
注意,采用这种电阻测量的方法时,往往使用高准确度的数字多用表。因为使用这种数字多用表,能够比较容易地在短时间内进行很多次的测量,并计算出测量结果的平均值。
在福禄克公司,我们在比较1 Ω的电阻标准时,获得了±0.25ppm的不确定度。在1 Ω到10 kΩ的范围内进行电阻测量时,我们喜欢使用这种方法。
电桥法:从前,用电位差计法进行电阻测量时,要在测量时期内保持测试电流恒定是很困难的。因此,人们就研究出了电桥法。使用这种方法时,电流的变化不影响电桥的平衡。下一回,我们将介绍惠斯登 (Wheatstone)电桥、开尔文(Kelvin)双电桥以及通用比率设置技术。现在,自动化的电桥(包括其相关的概念)正在取代早期的手动的电阻测量设备。
文章来源于数字电桥
文章来源于数字电桥



