Beta800温度校验仪
产品描述

BETA800温度校验仪
在进行温度校验时,BETA800温度校验仪是我们的好的选择之一,它功能强大,操作简单,通过将热电偶和热电阻功能组合在一起,使用它可以校验所有的温度仪表及温度变送器
功能特性:
- 简单,易于操作,直观的用户界面。
- 简单、易学的3键式Martel菜单系统。
- 新型、清晰带背光的图形显示。
- 全新流线型的外观设计。
- 热电阻、热电偶的校验一块表即可完成
- 用于罗斯蒙特3144或所有其它的智能变送器
- 可直接通过键盘输入快速改变输出。
- 可用户自定义设定值
- 高达±0.3℃(热电阻)、±0.4℃(热电偶)的精度。
- 高达精度可达0.015%RD。
- 输入、输出模式可选。
- 可输入、输出0-20VDC,(精度为0.015%RD)。
- 每个输出功能可存储9个设定点,方便以后校验。
- RS232串行通讯接口。
- 满足CE要求设计符合IEC1010安全标准。
- 800温度校验仪参数(23°C±5°C)
热电偶测量和发送
| 热电偶 | 测量/发送 | 精度 | 分辨率 |
| J |
-200~0℃ 0~1200℃ |
0.6℃ 0.4℃ |
0.1℃ |
| K |
-200~0℃ 0~1370℃ |
0.8℃ 0.5℃ |
0.1℃ |
| T |
-200~0℃ 0~400℃ |
0.6℃ 0.5℃ |
0.1℃ |
| E |
-200~0℃ 0~950℃ |
0.5℃ 0.4℃ |
0.1℃ |
| R |
-20~0℃ 0~500℃ 500~1750℃ |
2.4℃ 1.7℃ 1.3℃ |
0.1℃ |
| S |
-20~0℃ 0~500℃ 500~1750℃ |
2.4℃ 1.7℃ 1.4℃ |
0.1℃ |
| B |
600~800℃ 800~1000℃ 1000~1800℃ |
2.1℃ 1.7℃ 1.3℃ |
0.1℃ |
| L |
-200~0℃ 0~900℃ |
0.45℃ 0.4℃ |
0.1℃ |
| U |
-200~0℃ 0~400℃ |
0.7℃ 0.45℃ |
0.1℃ |
| N |
-200~0℃ 0~400℃ |
1.1℃ 0.6℃ |
0.1℃ |
| mV | -10~+75mV | 0.015% | 0.001mV |
热电阻测量和发送
| 热电偶 | 测量/发送 | 精度 | 分辨率 |
| Ni120(672) | -80~260℃ | 0.2 | 0.1℃ |
| Pt100(385) | -200~800℃ | 0.33 | 0.1℃ |
| Pt100(3926) | -200~630℃ | 0.3 | 0.1℃ |
| Pt100(3916) | -200~630℃ | 0.3 | 0.1℃ |
| Pt200(385) | -200~630℃ | 0.8 | 0.1℃ |
| Pt500(385) |
-200~500℃ 500~630℃ |
0.3 0.4 |
0.1℃ 0.1℃ |
| Pt1000(385) |
-200~100℃ 100~680℃ |
0.3 0.2 |
0.1℃ 0.1℃ |
| Cu10 | -100~250℃ | 2.2 | 1℃ |
| Cu50 | -180~200℃ | 0.4℃ | 0.1℃ |
| Ys1400 | 15~50℃ | 0.05℃ | 0.01℃ |
| 电阻 |
0~400Ω 400~3200Ω |
0.01Ω | 0.01Ω |
| 0.1Ω | 0.01Ω |
一般指标
存储温度:﹣20℃~60℃
操作温度:﹣10℃~50℃
安全:CSAC22.2NO.1010:1992
尺寸:22.1×10.6×5.8cm
重量:0.849kg
电源:6VDC/4节AA碱性电池
标准配置:测试线,橡胶保护套,NIST证书,电池,使用手册
1、产品简介
BETA800是一种便携式、由电池供电的多功能过程校验仪,该设备可测量或模拟输出温度量。BETA800具有如下功能及特点:
1、显示屏显示区域可读取/输出热电阻、热电偶、毫伏值和电阻值。l
2、热电偶输入输出端带有自动冷端温度补偿。l
3、每个电信号或物理量的测量量程范围内均可设定5个递增或递减数值点。l
4、互动式的使用菜单。l
5、可使用自带的RS232接口进行远程控制。l
1.1标准配置
一套完整的BETA800应包括如下部分:BETA800主机,使用手册,测量导线套,橡胶外壳,NIST证书。
1.2安全事项
请在使用BETA800时需注意以下几点:l
1、请勿超过额定电压,详见量程范围说明。
2、遵循一切设备安全条例。l
3、当测量导线插在电流测量端时,请不要使测量头接触电压源。l
4、如BETA800已损坏,请不要继续使用。
5、在使用前请检查仪器的外壳,查看是否有裂纹或缺口。
6、要特别注意连接导线的接头部位的绝缘材料是否完整。
7、测量时请选择正确的功能和量程。l
8、使用前请确认电池仓的盖子是否已关严。l
9、打开电池仓之前请将测量导线从BETA800上拔下。l
10、检查测量导线的绝缘材料是否已经损坏或已有金属部分裸露在外,在使用BETA800前请将已坏的测量导线进行更换。l
11、在使用测量导线的夹头时,手指部分请不要触摸夹头。
12、请勿非正常使用BETA800,这种行为可能会减少仪器的使用寿命。
13、在使用中如有疑问,请与我公司技术售后服务部门联系。l
14、请不要在含有爆炸性气体、蒸汽或灰尘的环境中使用BETA800。l
15、当外接压力模块时,请确保压力导管在连接或拆除时处于关闭和泄压状态。l
16、在更换使用功能前,请拔下测量导线。l
17、对BETA800进行维修时,请使用指定配件进行更换。l
18、请在电池电压过低时更换电池,以免对读数产生不良的影响。
2、操作界面
下图1中标出了BETA800各个输入/输出接口的位置,在表1中分别说明了它们的具体功能。

图1:输入/输出端
表1:输入/输出端功能说明
| 件号 | 名称 | 功能 |
| 1 | TC输入/输出 | 可模拟或测量热电偶信号 |
| 2、3 | 输出/测量 | 可模拟或测量热电阻信号 |
| 4、5 | 模拟/测量RTD3W/4W | 可测量3线制或4线制热电阻信号 |
| 6 | 数据端口 | 可连接电脑进行远程控制 |
下图2中标出了各个按键的位置,在表2中分别说明了它们的具体功能。

图2:键盘
表2:键盘功能
| 件号 | 名称 | 功能 |
| 1 | 功能键F1、F2、F3 | 用于操作位于显示屏下方的菜单条 |
| 2 | HOME | 退回主菜单 |
| 3 | 电源开关 | 开/关机 |
| 4 | 方向按键 | 左、右方向键用于选择输出数值的改变位置,上、下方向键用于增加或减少输出值,也可以进行线性输出 |
| 5 | 数字输入键盘 | 用于输入数值 |
2.1操作显示部分
如图3所示,BETA800菜单条可对显示部分进行设定,选择所需要的功能。在表3中可以看到各个显示部分的功能。

图3:显示部分
表3:显示功能
| 件号 | 名称 | 功能 |
| 1 | 基本参数 | 决定所测量或模拟的参数,可选择的参数有:电压输入/输出、热电偶、热电阻、频率、脉冲、压力,电流输入/输出和两线制电流模拟输出。 |
| 2 | 输入/输出控制 | 可在输入模式(读)和输出模式(源)两种模式之间选择。 |
| 3 | 附加设定 | 仅适用于热电偶和热电阻测量,对热电偶进行测量时,此部分显示为(冷端补偿)是否开启的选择。对热电偶进行测量时,此部分显示为热电阻的类型(2线制、3线制、4线制)。 |
| 4 | 工程单位 | 用于显示当前功能所使用的工程单位 |
| 5 | 传感器类别 | 用于选择热电偶和热电阻的分度号,还可以显示脉冲和频率的振幅以及压力单位。 |
| 6 | 读数显示 | 显示测量或模拟输出的数值,“OL”符号代表超出量程范围或处于没有信号输入。 |
| 7 | 二级值 | 显示热电偶的mV值或热电阻的Ω值 |
2.2菜单条
BETA800所显示的参数通过位于显示屏下方的菜单条进行设定,使用功能键(F1、F2和F3)对菜单条进行选择。很上一级菜单为HOME菜单,按HOME键即可访问。在这里BETA800提供了三种HOME菜单形式:信号输入、模拟输出以及脉冲,如图所示。信号输入的菜单可选项只有[MENU]和[LIGHT]两项,[MENU]用以进入下一级菜单,按F1键即可。[LIGHT]用以打开仪器显示屏的背光,按F2键即可


菜单条的下一级菜单为主菜单,主菜单有二个可选项[CONFIG]和[MORE]。选择[CONFIG]可修改显示参数,按[MORE]键进入下一级菜单。

在模拟输出模式下选择[MORE]选项可显示AUTOFUNCTION菜单,此菜单包括三个选项[AUTOFUNC]、[NEXT]和[DONE],选择[AUTOFUNC]选项可调整自动输出功能的参数,选择[NEXT]选项可进入其他菜单,选择[DONE]选项返回HOME菜单。

对比度菜单是主菜单下的一个菜单,此菜单包括三个选项[CONTRAST]、[NEXT]和[DONE],选择[CONTRAST]选项可调整BETA800显示屏的对比度,选择[NEXT]选项可进入[AUTOOFF]菜单,选择[DONE]选项返回HOME菜单。对比度的调节可通过方向键来控制。

注意:BETA800有着非常大的对比度调节范围以应对极端温度条件,在一些特定的情况下,大幅度的更改对比度可能会使屏幕查看起来非常困难,如果发生了由于屏幕颜色非常浅或非常深的情况,请按以下操作来恢复默认的设置:
1)开机后按住“HOME”键
2)按住“HOME”键十分钟后对比度显示将恢复默认的设置
如果用户由于屏幕颜色太浅而无法确定BETA800是否已经开机,可以用开启背光来确定。
自动关机菜单包括三个选项[AUTOOFF]、[NEXT]和[DONE],选择[AUTOOFF]选项可调整BETA800是否自动关机和自动关机的时间间隔。选择[NEXT]及[DONE]均可返回主菜单。


在主菜单中选择[CONFIG]选项即可对显示部分的参数进行选择,设定菜单包括三个选项[SELECT]、[NEXT]和[DONE],当选定后,所选部分的参数将开始闪烁,按[SELECT]选项进行参数修改,按[NEXT]进行下一个参数的修改,选择[DONE]选项返回主菜单并对修改进行保存。

2.3方向键控制及设定点控制
BETA800的输出值可以通过控制面板上的4个方向键来控制,在按4个方向键中的任何一个后,将会有一个光标显示在屏幕上输出值的很后一位上,按左右方向键来调整光标的位置,按上下键来调整输出值,同时屏幕上的菜单条也将变为如下显示:

同时3个功能键将分别对应0%、25%及100%,用户在使用中可根据需要将输出值分别设定为0%和100%,具体操作是在调整好输出值后,长按0%或100%对应的功能键来储存这个值,设定好0%和100%以后,25%的值将会自动根据设置来进行调整。

图4:菜单选择流程
3.3-1测量热电偶
BETA800支持如下热电偶类型:B、C、E、J、K、L、N、R、S、T、U、BP及XK,以上类型热电偶的具体参数详见BETA800的技术性能表,BETA800同时具有冷端补偿功能,通常情况下出厂时的默认设置为冷端补偿功能开启,如该功能关闭,BETA800的测量值将为热电偶的冷端和输入终端的温度差。
注意:关闭冷端补偿功能仅适用于使用外部冰槽的情况

测量热电偶的步骤如下:
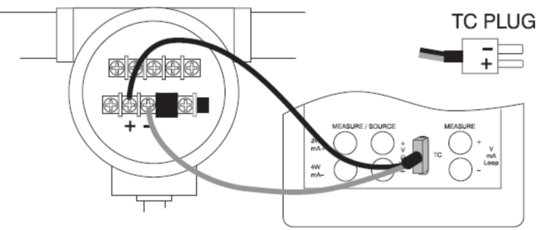
1、将热电偶微型插头插入BETA800,如图8所示
注意:为提高测量精度,较好的是等待2~5分钟再开始测量,以便校验仪和热电偶微型插头之间的温度保持稳定。
2、在主菜单中选择下显示部分
3、选择所需的类型,并选择输入模式,同时选择华氏或摄氏温度
注意:热电偶的插头必须与热电偶的类型匹配
同样BETA800也可以测量热电偶的mV值,如果被测热电偶不是BETA800所支持的类型,用户可以通过所测得mV值来查表,步骤与上面所述相同,但需要将传感器类型更改为mV。

图8:测量热电偶
BETA800可测量的热电阻类型如下:PT385-10ohm、PT385-50ohm、PT385-100ohm、PT3926-100ohm、PT3916-100ohm、PT385-200ohm、PT385-500ohm、PT385-1000ohm、NI120、Cu10、Cu50、Cu100、YSI400,支持2、3、4线制的热电阻。
测量步骤如下:
1、在主菜单中选择[CONFIG]选项
2、选择RTD模式,并选择输入模式
1、选择RTD的连接方式(2线、3线或4线)
2、选择RTD的类型
3、连接RTD导线如图9所示

图8:测量热电阻
4、模拟输出模式
BETA800能够模拟输出各种温度信号给被校验的设备,比如电阻值、热电偶、热电阻信号。
4.1设定0%和100%输出参数
操作步骤如下:
1、在主菜单中选择[CONFIG]选项,并选择所需要的参数。
2、选择输出模式OUT,并输入模拟输出的值,例如:我们选择[RTDOUT]作为例子
3、输入0℃并确认
4、按四个方向键中的任意一个来显示设定点控制菜单
5、按下0%对应的功能键[F1],此时0%将开始闪烁,此设定点将被储存
6、重复上述步骤,输入100℃并按下对应的功能键[F3]
7、按功能键[F2]在0~100℃之间来进行增幅为10%或25%的步进
4.2设定自动输出功能
自动输出功能包括两个部分:匀变和跳变,该功能可在[AUTOFUNCTION]菜单中进行选择,自动输出功能可选择的参数如下:
1、匀变或跳变输出模式
2、自动输出的时间
3、调变的幅度,可选择10%或25%
注意:匀变和跳变的幅度限制为设定值的0%和100%之间,详见4.1设定0%和100%输出部分,跳变可以用从设定值的0%到100%之间的10%或25%的幅度进行变化。
4.3模拟热电偶输出
操作步骤如下:
1、如图9所示连接设备,注意热电偶插头的极性1、在主菜单中选择[CONFIG]选项,并选择TC模式
3、选择热电偶的类型
4、通过键盘输入温度值


图9:模拟热电偶输出
4.4模拟热电阻/电阻输出
操作步骤如下:
1、在主菜单中选择[CONFIG]选项,并选择RTD模式
2、选择输出模式,并选择RTD模式
3、如图10所示连接设备
4、输入温度或电阻值


图10:模拟热电阻/电阻输出
注意:如需BETA800模拟输出2线制RTD与3线或4线制的变送器连接,接线方式如图11所示

图11:2线制RTD与3线或4线制的变送器连接
4.4-1自定义RTD
用户可自定义一个进行测量或模拟输出,操作步骤如下:
1、进入下显示部分,选择RTD的[CUSTOM]模式
2、进入RTD自定义菜单,然后选择[SETCUSTOM]选项
3、按照BETA800的提示输入很小温度、较大温度、R0、A、B、C等温度系数

BETA800可以通过自带的RS232串行接口和上位机自带的终端通讯软件(超级终端或PcPlus)进行通讯,由上位机对BETA800进行控制和操作,连接方式如图25所示:

注意:连接电缆的长度不能超过15m,电容率要小于2500pF,设置参数如下:
·波特率:9600
·数据位:8
·奇偶校验:None
·停止位:1
·数据流控制:Xon/Xoff
通过WINDOWS自带的超级终端操作如下:
1、打开超级终端(在WINDOWS开始菜单中的附件目录中的通讯程序)
2、选择一个新的通讯连接
3、将其命名为BETA800,并选择串行通讯端口的件号
4、设定通讯端口的参数
5、在通讯界面选择文件/属性/设定中选择ASCII属性,并勾选如下选项:
本地回显键入的字符
将超过终端的行自动换行
6、选择确定
7、输入*IDN?以查看通讯是否正常,该命令将设备的详细信息反馈到PC屏幕上
5.2本地操作和远程控制之间的切换
BETA800有三种操作模式:本地操作、远程控制以及完全远程控制模式,其中本地操作为默认模式,用户可以通过键盘或电脑来输入命令。在远程控制的模式中,键盘将无法使用,所有的控制命令将通过电脑来输入,但是如果在BETA800的屏幕上选择[GOTOLOCAL],将恢复键盘控制。在完全远程控制模式中,键盘将彻底无法使用。三种操作模式的切换方式如下:
1、在超级终端中输入命令REMOTE来开启远程控制模式
2、在超级终端中输入REMOTE及LOCKOUT命令来开启远程控制模式
3、在超级终端中输入命令LOACL来开启远程控制模式,如果此时LOCKOUT功能开启的话,该命令将把LOCKOUT功能自动关闭。






6、使用性能
除了一些极特殊的情况,所有的测量都在23℃±5℃之间进行,超出该范围后,BETA800的测量稳定度是±0.005%/℃










